SIMULATION SOFTWARE FOR HYDRAULIC & ELECTRIC SYSTEMS ADJUSTABLE SPEED DRIVES
Introduction
The software package enables modelling, simulation and analysis of the power networks dynamic behavior, speed drives and hydraulic systems with arbitrary topology. The strength of the software leads to the possibility of including into the simulation:
- Hydraulic circuits,
- Electrical installations,
- Rotating inertias,
- Control/command systems,
with a very high degree of complexity for each part, ensuring to take properly into account all dynamics interactions.
- Hydraulic and Electrical Transients
- Water Hammer Calculation
- Hydroelectric Systems
- Power Network Stability
- Complex Drives Control
- Load Flow
Main features
- From water to wire modelling
- Modular structure with arbitrary topology
- No restriction on the network size
- Three phases systems in ABC phase quantities
- Events detection and back-tracking
- Load-Flow calculation
- Parameterization
- Harmonics analysis, eigen values, eigen vectors calculation and representation
Graphical user Interface/Hydraulic systems:
✓ Water hammer calculation
✓ 4 quadrants transient behavior
✓ Francis/Pelton/Kaplan/Pumps and reversible Francis pump-turbines
✓ Surge tanks, surge shafts, differential surge tanks
✓ PID Turbine governors
✓ Hydroelectric interactions
✓ Cavitation/Water column separation
✓ Open channel flows
✓ Piezometric line visualization
✓ Database of realistic Francis & Pelton turbines performance hill chart
Electrical Power Networks:
✓ Electrical 3ph machines models 2.1-3.3 according to IEEE standard 1110
✓ Single phase synchronous machine model
✓ Electromagnetic transients in AC/DC
✓ Transient stability and general fault analysis
✓ SubSynchronous Resonance (SSR)
✓ Torsional analysis
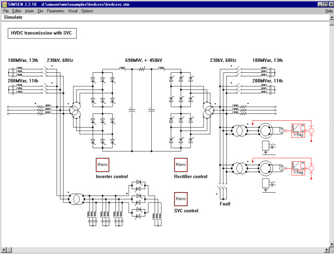
✓ FACTS, HVDC, SVC
✓ Grid code compliance (FRT)
✓ IEEE Standard excitation systems and PSS
Regulation part:
✓ Easy definition of any control structure
✓ S-transfer functions, PID regulator
✓ Programmable unit, logical table
✓ Digital devices, Z-transfer functions
✓ Control devices, on-line FFT
✓ User defined DLL for control
✓ Coupling with external application (Matlab, Labview, EMTP-RV, Electromagnetic/Fluid FEM, HIL, etc)
Adjustable Speed Drives:
✓ DFIM FSFC modelling
✓ Power electronics converters
✓ Multi level modular converters (MMC)
✓ Voltage Source Inverters (VSI)
✓ LCI 6 and 12 pulses
✓ Cyclo-converters
✓ Analog / digital mixed signals simulation
✓ PWM PLL based control
✓ Vector control
✓ IGBT GTO Thyristor
Hydropower Dynamics Engineering is in charge of:
- Software Distribution,
- Organising Training seminars,
- Providing Support to SIMSEN customers
of the simulation software SIMSEN. This software package is developed by the academic partners of Hydropower Dynamics Engineering
![]()
Laboratory of Electrical Machines, EPFL
![]()
Swiss Federal Institute of Technology in Lausanne, Switzerland EPFL
Download PDFs
PDF SIMSEN Leaflet Details (3.6 Mo)
Need more information about details and pricing?
Contact Mr. Christophe Nicolet: (french and english speaking)
Phone: +41 21 691 01 21
info@hdynamics.ch

Rue des Jordils 40
CH-1025 St-Sulpice



